Pachinko Card Reader Emulator System
Interfacing and Upgrades
The expansion connector on the Card Reader Emulator allows the connection of the smartcard option, or connection to external credit switches, coin acceptors and other accessories.
Connecting Smartcard ReaderPinout of Expansion Connector
Pinout of Expansion Header on Smartcard Option Boards
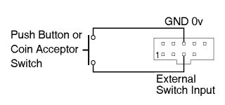
Connecting an External Credit Switch or coin acceptor
Firmware Upgrades
Connecting Smartcard Reader
For Rev.2 or Rev.3 Card Reader Emulators simply connect the ribbon cable from the smartcard reader to the expansion connector of the card reader emulator. The smartcard reader will be automatically detected, and the inserted smartcard will be used to store the credit balance available to the player.
For Rev.1 Card Reader Emulators along with connecting the smartcard reader ribbon cable to the expansion connector, it is also necessary to set the operation mode setting in the setup mode to
or
for the smartcard reader to be recognised.
Pinout of Expansion Connector
| Pin | Rev.1 | Rev.2 | Rev.3 | Description |
| 1 | +5vDC | +5vDC | +5vDC | +5v DC for accessories (max 20mA) |
| 2 | Reset | Connect to pin 4 (GND 0v) to reset unit | ||
| Setup Disable | Setup Disable | Connect to pin 4 (GND 0v) to disable setup mode | ||
| 3 | Setup | Connect to pin 4 (GND 0v) to enter setup mode | ||
| I/O 1 | General purpose I/O pin (for future use) | |||
| Count | Count input (not currently used) | |||
| 4 | GND 0v | GND 0v | GND 0v | 0v (GND) connection pin for accessories |
| 5 | Ext. Sw. | Ext. Sw. | Ext. Sw. | External input for credit switch/coin acceptor |
| 6 | GND 0v | GND 0v | GND 0v | 0v (GND) connection pin for accessories |
| 7 | I2C Data | I2C Data | I2C Data | Data connection for smartcard communications |
| 8 | I2C Clock | I2C Clock | I2C Clock | Clock connection for smartcard communications |
| 9 | Not Fitted | I/O 2 | General purpose I/O pin (for future use) | |
| RX | Serial Comms | |||
| 10 | Not Connected | I/O 3 | General purpose I/O pin (for future use) | |
| TX | Serial Comms |
Pinout of Expansion Header on Smartcard Option Boards
Rev.2 Smartcard Option reader boards have a duplicate 10 pin expansion connector and all of the Card Reader Emulator signals are available with the same pinout as shown above.
Rev.1 Smartcard Option reader boards have a 4 pin header mounted on them so that the Setup(I/O 1) and Ext. Switch inputs can be accessed when the reader is connected to the Card Reader Emulator. The pinout of this header is shown below.
| Pin | Rev.1 | Rev.2 | Description |
| 1 | Setup | Connect to pin 4 (GND 0v) to enter setup mode | |
| I/O 1 | General purpose I/O pin (for future use) | ||
| 2 & 3 | GND 0v | GND 0v | 0v (GND) connection pin for accessories |
| 4 | Ext. Sw. | Ext. Sw. | External input for credit switch/coin acceptor |
Installation of External Credit Switch or Coin Acceptor.
An external Credit switch, or a coin acceptor can be connected to the Expansion connector on the Card Reader Emulator unit. The closure of the switch contact will perform the same function as the 'Return' button on the pachinko machine.
The external switch input is only designed for operation with a mechanical style coin acceptor mechanism. This type of coin mechanism requires no external power and signals that a coin has been accepted by a short switch closure. If you wish to connect an electronic style coin acceptor, then an additional power supply and isolation circuit are required. Connection details are provided on the Electronic Coin Acceptor page.
Under no circumstances should a connection be made to power a coin acceptor or provide power for switch illumination from the +5v DC terminal on the expansion connector of the Card Reader Emulator unit. This output is only intended to provide a supply to the Smartcard Option board, or to be used as a signalling voltage (if required by an external circuit).
The switch should be a momentary 'normally open' or 'push-to-make' style switch and is connected between pins 5 and 6 of the expansion connector (or between pins 3 and 4 on the Rev.1 smartcard reader board).
If a single press of the switch results in multiple credits being added to the credit display, then an adjustment should be made to the 'External switch debounce setting' in the setup mode. This setting controls how long the external switch contacts must remain closed to register a credit, and how long the contacts must be opened between presses for a second credit to be added. Higher setting values result in the switch needing to be held closed for a longer time before a credit is registered by the Card Reader Emulator unit.
When adjusting the debounce setting, the lowest value that consistently registers only a single credit should be used. This setting is only appropriate when the operation mode is set to a 'Cash Unit' mode, as in other modes the credit display is always set to the same preset value, and so multiple presses will have no effect.
On Rev.2 units from firmware version r2.1 and all Rev.3 units, the debounce setting can be set to 'E-0' for fast pulse elecronic coin acceptors. This removes all switch debouncing, and allows coin acceptors to pulse the external input rapidly and add multiple credits for a single coin.
Firmware Upgrades.
The Rev.2 and Rev.3 Card Reader Emulator units can have their internal software updated by using an 'Upgrade Key', this contains the updated software code, and is connected to the expansion connector to perform the firmware upgrade procedure.
The Rev 1.x Card Reader Emulator units would need to be returned for firmware updates. However at this time there is no new firmware available for these units.






